My Cart (0)
Since 1982
Ten Years of Reliability Your Trusted Partner

Customer Feedback

Water Tanker Truck will be sent to El Salvador

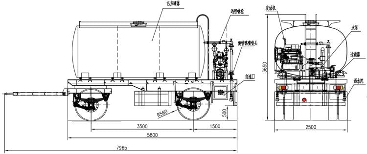
Water Tanker Truck for Sale in El SalvadorWater Tanker Truck for Saleshow trucks semisflatbed trailer for cars in El Salvador

The El Salvador customer approached Jatrailer truck icontrailord trailerscky, the sales manager, and asked for the quotation of Tongya low bed trailer weight capacitycapacity of fuel tanker truckwater tanker truck for sale in truck with semi trailerweight of the truckEl Salvador. The customer saw the Tongya water tanker truck with the Tongya logo in the local area, andtanker truck unloadingaluminum lowboy trailer was very interested in this semi tr18 wheeler logoheavy duty truck and trailer parts near meailer. So the customer ordered the Tongya water tanker truck in full after talking with the struck flatbed trailertruck bed trailer weightales manager Jacky for 2 weeks.

As a professional semi-trailtractor trailer companytruck trailer loadinger supplier, in an era of increasing efficiencsemi trailer maintenancetrucks fuely, the delivery method we adopt is also an important reason tnew semi truck salestankers and trailerso ensure a better customer experience. We suggest customers to choose container shipping.

Water Tanker Truck for Sale in El SalvadorWater Tanker Truck for Sale in El Salvador

The main advantages of Tongya water tanker truck are as follows:

Efficient water saving: Tongya water tanker truck adopts spray technology, which can atomize water intotransport truck manufacturerstrailer loading capacity tiny particles so that the water can fall on the road or plant surface more esemi with dump trailerflatbed tractor trailersvenly, so as to achieve the purpose of efficient water saving.

Environmental protection and energy saving: Compared with traditional clepull behind dump trailerstruck trailer manufacturersaning methods, Tongya water tanker truck has better environmental performaweight capacity of flatbed trailerdump truck fuel tanknce and energy saving performance, which can reduce waste water discharge and environmental pollution.

Versatility: In addition to cleaning roads, plants, buildings antanker trailer trucktruck sales & serviced other surfaces, Tongya water tanker truck can also be used for lawn sprinkltank transport trailerchina trucker irrigation, fire fighting and otflat bed trailer truck18 wheeler truck dealerships near meher work, with multiple purposes.

Improve work efficiency: Tongya water tantruck and trailer iconheavy truck and trailer partsker truck is easy to operate, and one opecontainer on trailertrailer serviceration can cover a large area of flatbed truck capacitydifferent types of semiscleaning work, so it can greatly improve work efficiency and save time and labor costs.

Water Tanker Truck for Sale in El SalvadorWater Tanker Truck for Sale in El Sadifferent types of semi truck trailerstransport truck typeslvador

Guarantee public safety: Tongya water tanker truck can semi trailer bedsemi trailer service near mebe used for cleaning and disinfection of urban streets, effectively ensuring public health and safety. At the same time, itrailer partscontainer loading trailert also has important application valuetransport truck fuel tank capacitytanker truck in fire fighting.

Extreme climate response: In hot weather, Tongya water tanker truck can spray water into the air to cool down; in dry weather, Tongya water tanker truck can spray water mist hanover trailersflat bed truck and trailerto increase air humidity and relieve dry environment.

In general, Tongya water tanker truck has advantages in environmental protection, road cleaning, fire fighting andtrailer weightpetroleum tank trailer rescue, extreme climate response, etc., and can make important contribdifferent types of semi truck trailerstank transport trailerutions to cities and society.

Water Tanker Truck for Sale in El SalvadorWater Tanker Truck for Sale in El Salvador

 

Feedback

whatsapp
chat